关于我们  |  培训项目  |  在线教育  |  企业内训
行业专家  |  书籍推荐  |  在线报名  |  师资招聘
 
液压气动培训 当前位置:首页 > 培训项目 > 液压气动培训

液压系统培训实操项目:多级换速控制回路
   信息发布:中科智谷   发布时间:2016/3/10

一、 实验目的:

1. 理解液压系统的工作原理;

2. 掌握多种速度的换接回路。

二、 实验器材:

1. 液压实验台                                           一台

2. 液压泵站                                             一套

3. 油缸                                                 一只

4. 溢流阀                                               一只

5. 三位四通电磁换向阀                                   一只

6. 二位三通电磁换向阀                                   二只

7. 调速阀(或单向节流阀)                               二只

8. 接近开关及其支架                                     四套

9. 油管、压力表、四通                                   若干

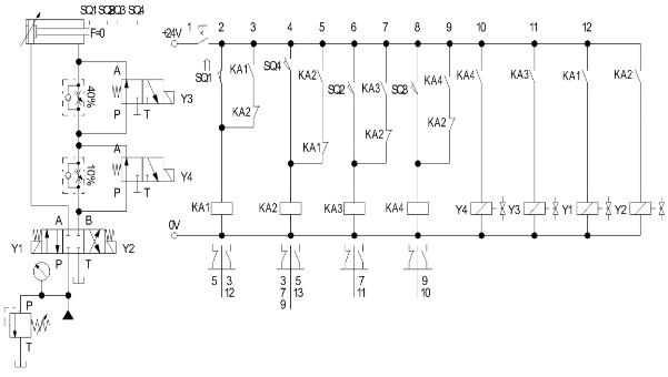
三、 实验原理:

如图所示:

系统的速度可以由调速阀及两位三通电磁换向阀调定,当电磁阀没有接入油路时,速度由调速阀调节,但当两位三通接入时,系统处以没有背压的情况,调速阀没有调速功能,从而达到实验要求。电磁阀的通断可以靠接近开关来控制。

四、 实验步骤:

1. 根据实验要求设计出合理的液压原理图。

2. 根据原理图选择恰当的液压元器件,并按图把实物连接起来。

3. 根据动作要求设计电路,并依据设计好的电路进行实物连接。

4. 在溢流阀打开的情况下,启动泵站电机,调定系统压力到工作压力,起动三位四通电磁换向阀,观看油缸的运行速度,调节其中一个调速阀的开口来达到一次工进的速度,再调节另外一个调速阀实现二次工进的速度,然后控制两位三通电磁换向阀得电与失电来实现工进位置。

5. 实验完毕后,打开溢流阀,停止油泵电机,待系统压力为零后,拆卸油管及液压阀,并把它们放回规定的位置,整理好实验台。

来源:苏州液压培训班

上一篇: 液压系统培训实操项目:两级换速控制回路
下一篇: 液压系统培训实操项目:液压缸并联的同步回路

友情链接  
    人力资源和社会保障部     工业和信息化部教育与考试中心     中国就业培训技术指导中心     中国国家图书馆     国家开放大学     中国科学技术协会     中国科学技术馆     北京教育考试院     中国科普博览     杭州教育宝


版权所有© All Rights Reserved北京中科智谷机电技术研究院  
技术支持:FUQIIT  京ICP备12051865号-3