关于我们  |  培训项目  |  在线教育  |  企业内训
行业专家  |  书籍推荐  |  在线报名  |  师资招聘
 
液压气动培训 当前位置:首页 > 培训项目 > 液压气动培训

液压系统培训实操项目:液压缸并联的同步回路
   信息发布:中科智谷   发布时间:2016/3/10

一、实验目的:

了解并应用液压缸的串、并联的同步回路

实验器材:

1. 液压实验台                             一台

2. 泵站                                   一台

3. 溢流阀                                 一只

4. 二位四通电磁阀                         一只

5. 节流阀                                 二只

6. 单向阀                                 二只

7. 液压缸                                 二只

8. 油管、压力表、四通                     若干

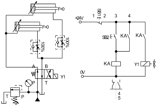
实验回路原理图:

(液压原理图、继电器按钮/接近开关控制接线图

实验步骤:

1. 看懂实验原理图,按照原理图连接好回路,将Y1电磁线插入继电器控制端口。

2. 将安全阀(溢流阀)处于开启状态,打开总电源,开启泵站电机,调节溢流阀2,系统压力达到一定值之后,缸的无杆腔开始进油,活塞杆向右运行,两缸的运动速度基本实现同步(误差在2%-5%之内)。电磁阀Y1得电之后,两缸的有杆腔开始进油,活塞杆向右运行。由于两腔作用力的有效面积不一样,所以在系统压力不变的情况下,活塞杆的伸出的速度比它复位的速度快。如果两缸的同步误差比较大,调节单向节流阀4,通过调节其回油的流量来减少误差。

3. 实验完毕之后,清理实验台,将各元器件放入原来的位置

来源:苏州液压技术培训班

上一篇: 液压系统培训实操项目:多级换速控制回路
下一篇: 2016年7月20天津液压气动培训班

友情链接  
    人力资源和社会保障部     工业和信息化部教育与考试中心     中国就业培训技术指导中心     中国国家图书馆     国家开放大学     中国科学技术协会     中国科学技术馆     北京教育考试院     中国科普博览     杭州教育宝


版权所有© All Rights Reserved北京中科智谷机电技术研究院  
技术支持:FUQIIT  京ICP备12051865号-3