关于我们  |  培训项目  |  在线教育  |  企业内训
行业专家  |  书籍推荐  |  在线报名  |  师资招聘
 
液压气动培训 当前位置:首页 > 培训项目 > 液压气动培训

液压系统实训:液压锁紧回路
   信息发布:中科智谷   发布时间:2016/3/10

一、 实验目的:

1. 解锁紧回路在工业中的作用,并举例说明。

2. 掌握典型的液压锁紧回路及其运用。

3. 掌握普通单向阀和液控单向工作原理、职能符号及其运用。

二、 实验器材:

1. 液压实验台                               一台

2. 泵站                                     一套

3. 换向阀                                   一只

4. 液控单向阀                               二只

5. 液压缸                                   一只

6. 溢流阀                                   一只

7. 接近开关及其支架                         二套

8. 四通油路过渡底板                         二块

9. 压力表                                   一只

10. 油管及导线                               若干

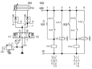
三、 实验原理:

学生可根据个人兴趣,选择合适的实验器材,安装运行一个或多个锁紧回路。这里以液控单向阀为例说明。

液压系统图:

 

四、 实验步骤:

1. 根据实验要求设计出合理的液压原理图。

2. 根据原理图选择恰当的液压元器件,并按图把实物连接起来。

3. 根据动作要求设计电路,并依据设计好的电路进行实物连接。

4. 增大负载,看油缸的动作情况。

5. 实验完毕后,使三位四通电磁换向阀卸荷,打开溢流阀,停止油泵电机,待系统压力为零后,拆卸油管及液压阀,并把它们放回规定的位置,整理好实验台。并保持系统的清洁。

上一篇: 2016年6月青岛预知维修的实施及设备零故障...
下一篇: 液压系统培训实操项目:两级换速控制回路

友情链接  
    人力资源和社会保障部     工业和信息化部教育与考试中心     中国就业培训技术指导中心     中国国家图书馆     国家开放大学     中国科学技术协会     中国科学技术馆     北京教育考试院     中国科普博览     杭州教育宝


版权所有© All Rights Reserved北京中科智谷机电技术研究院  
技术支持:FUQIIT  京ICP备12051865号-3