关于我们  |  培训项目  |  在线教育  |  企业内训
行业专家  |  书籍推荐  |  在线报名  |  师资招聘
 
液压气动培训 当前位置:首页 > 培训项目 > 液压气动培训

液压基础实验:二级减压回路(液压培训班)
   信息发布:中科智谷   发布时间:2016/3/10

一、 实验目的:

1. 了解减压阀的内部结构、工作原理;掌握并应用减压阀的二级调压及多级调压。

2. 了解减压回路在实际生产的中应用范围。

二、 实验器材:

1. 液压实验台                          1台

2. 液压泵站                            1套

3. 先导式减压阀                        1只

4. 二位三通电磁换向阀                  1只

5. 调压阀                              2只

6. 压力表                              2只

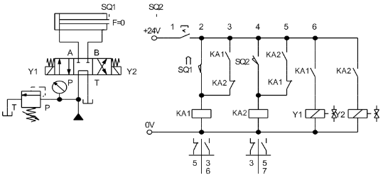
三、 实验原理:

 

四、 实验步骤:

1. 依据实验原理回路图准备好液压元器件;

2. 按照液压回路准确无误的连接液压回路,并把溢流阀的全部松开;

3. 启动泵站电机,调节溢流阀开口,调定系统压力。

4. 调节先导式减压阀1至系统要求的二级压力。

5. 使二位三通电磁阀接通,调节溢流阀3至一级压力,注意:这里的压力不能比二级压力大。

6. 实验完毕后,应先旋松溢流阀手柄,然后停止油泵工作。经确认回路中压力为零后,取下连接油管和元件,归类放入规定的抽屉中或规定地方,并保持系统的清洁。

来源:液压强化训练营课程(液压精品课程)讲义

http://www.zkmeti.com/bonews.asp?id=233

上一篇: 运动学分析案例简述
下一篇: 2016年6月23广州西门子PLC培训班

友情链接  
    人力资源和社会保障部     工业和信息化部教育与考试中心     中国就业培训技术指导中心     中国国家图书馆     国家开放大学     中国科学技术协会     中国科学技术馆     北京教育考试院     中国科普博览     杭州教育宝


版权所有© All Rights Reserved北京中科智谷机电技术研究院  
技术支持:FUQIIT  京ICP备12051865号-3