关于我们  |  培训项目  |  在线教育  |  企业内训
行业专家  |  书籍推荐  |  在线报名  |  师资招聘
 
液压气动培训 当前位置:首页 > 培训项目 > 液压气动培训

基础实验:基本卸荷回路实训
   信息发布:中科智谷   发布时间:2016/3/10

一、 实验目的:

1. 了解三位四通电磁换阀的各类中位机构(如H、M)的结构、工作原理;

2. 了解卸荷回路在工业中的应用。

二、 实验器材:

1. 实验台                                              1台

2. 三位四通电磁换向阀                                  1只

3. 油缸                                                1只

4. 压力表                                              1只

5. 油管及导线                                          若干

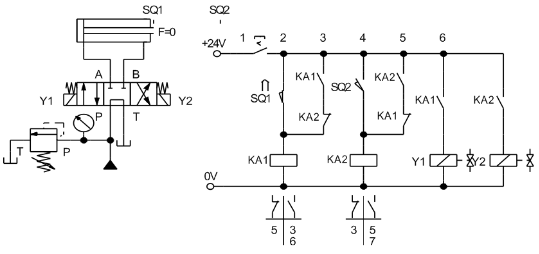
三、 实验原理

四、 实验步骤:

1. 依据实验原理回路图准备好液压元器件;

2. 按照液压回路准确无误的连接液压回路,并把溢流阀的全部松开;

3. 启动泵站电机,让电磁阀的左位工作(或右位工作)。

4. 调节溢流阀的开口使油缸的运行速度适中后,在活塞杆运行到恰当的位置时,让电磁阀置于中位卸荷。

5. 接入限位开关,让油缸自动运行。

6. 实验完毕后,应先旋松溢流阀手柄,然后停止油泵工作。经确认回路中压力为零后,取下连接油管和元件,归类放入规定的抽屉中或规定地方,并保持系统的清洁。

上一篇: 基础实验:液压换向阀换向回路实训流程
下一篇: 定时器的梯形图指令与操作数

友情链接  
    人力资源和社会保障部     工业和信息化部教育与考试中心     中国就业培训技术指导中心     中国国家图书馆     国家开放大学     中国科学技术协会     中国科学技术馆     北京教育考试院     中国科普博览     杭州教育宝


版权所有© All Rights Reserved北京中科智谷机电技术研究院  
技术支持:FUQIIT  京ICP备12051865号-3