关于我们  |  培训项目  |  在线教育  |  企业内训
行业专家  |  书籍推荐  |  在线报名  |  师资招聘
 
液压气动培训 当前位置:首页 > 培训项目 > 液压气动培训

基础实验:液压换向阀换向回路实训流程
   信息发布:中科智谷   发布时间:2016/3/10

一、 实验目的:

1. 熟悉换向阀典型的内部结构、工作原理及职能符号;

2. 了解换向阀的工业应用领域;

3. 培养学习液压传动课程的兴趣,以及进行实际工程设计的积极性,为调动学生进行创新设计,拓宽知识面,打好一定的知识基础;

4. 通过该实验,可利用不同类型的换向阀设计类似的换向回路。

二、 实验器材:

1. 实验台                                         1台

2. 换向阀                                         1只

3. 液压缸                                         1只

4. 溢流阀                                         1只

5. 油管                                           若干

6. 压力表(量程:10MPa)                          1只

三、 实验原理:

四、 实验步骤:

1. 根据试验内容,设计实验所需回路,所设计的回路必须经过认真检查,确保正确无误;

2. 按照检查无误的回路要求,选择液压元件,并且检查其性能的完好性;

3. 将检验好的液压元件安装在插件板的适当位置,通过快速接头和软管按照回路要求,把各个元件连接起来(包括压力表)。(注:并联油路可用多孔油路板);

4. 将固定好的电磁阀及行程开关按照电器接线图连接起来,掌握接近开关的接线方法和工作原理;

5. 按照回路图,确认安装连接正确后,旋松泵出口处的溢流阀。经过检查确认正确无误后,再启动油泵,按要求调压;

6. 系统溢流阀做安全阀使用,不得随意调整;

7. 调整系统压力,使系统工作压力在系统额定压力范围;

8. 实验完毕后,应先旋松溢流阀手柄,然后停止油泵工作。经确认回路中压力为零后,取下连接油管和元件,归类放入规定的抽屉中或规定地方,并保持系统的清洁。

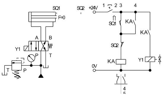
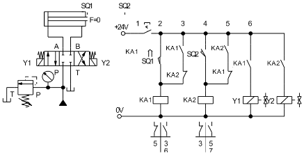
参考液压实验回路(可根据实际配置完成相关的液压回路):

两位四通电磁换向回路


上一篇: 基础实验:溢流阀单级调压回路实训流程
下一篇: 基础实验:基本卸荷回路实训

友情链接  
    人力资源和社会保障部     工业和信息化部教育与考试中心     中国就业培训技术指导中心     中国国家图书馆     国家开放大学     中国科学技术协会     中国科学技术馆     北京教育考试院     中国科普博览     杭州教育宝


版权所有© All Rights Reserved北京中科智谷机电技术研究院  
技术支持:FUQIIT  京ICP备12051865号-3